原来百度造车,真相早藏在了专利里
“综合实力的冰山一角”
萧箫 发自 凹非寺
量子位 报道 | 公众号 QbitAI
互联网巨头造车,正在成为新流行。

前有苹果传闻落子,后有百度明确官宣,最近小米也传出爆料……
然而遗憾是大家还都没车,即便是造车路径相同——软件定义硬件,智能化技术重塑车辆工程,也不太能就着产品,横向有所对比。
但也并非完全没有参考维度——还是有理有据的那种。
这不,最近业内流行透过专利看造车。
虎嗅围观苹果造车,围观了2万多条相关专利。
第一财经和腾讯科技跟进小米造车,也从专利上找到蛛丝马迹。
那么问题来了,如果也从专利维度看明确造车的百度,该怎么看?
从专利数看造车?
我们刚才也说了,互联网造车,实际上更加侧重的是智能化技术本身,或者是AI和自动驾驶相关技术本身。
所以从专利看,需要从智能化、AI和自动驾驶相关专利来审视。
只是……如果单从数量和排名,结论比较单调。
根据《2020人工智能中国专利技术分析报告》,在人工智能领域,专利申请最高数是9364件,专利授权数最多的是2682件。
都来自百度。
那要是更具体垂直地看自动驾驶专利呢?毕竟造车或帮别人造好车,自动驾驶技术是最核心关键的系统性技术,也是汽车被重新定义的关键所在。
但问题依然一样,结果“单调”。
在这个方向上,百度专利申请数量达到了1928件,专利授权量达283件,均排名第一。
另外,国内互联网+车领域玩家,多数在手机、电子设备等领域有所布局,本身就有不少专利,集中在“网联化”方面。
包括通信车联网、平台技术、定位导航、数据技术、信息安全等领域,更多涉及到的是通信技术能力。
这些领域,手机和车载交互有相同之处。大多专利技术从手机迁移而来,统计对比,其实也容易有误差,不具参考价值。
但在智能化,比如智能感知、智能决策、控制执行、人机交互、整车技术等领域……国内互联网造车玩家,基本只剩百度了。
所以如果就从专利数,来横向审视国内互联网造车,确实不好比较。
至少在相关专利数量和排名上,百度一枝独秀。
专利只是综合实力的冰山一角
不过,这也只是综合实力的反映之一。
因为即便不从专利角度,百度在技术、资金和经验上,都有优势。
技术上,百度Apollo前不久就发布了高级别智能驾驶解决方案ANP,基于国内目前唯一的L4级纯视觉自动驾驶技术Apollo Lite打造。
资金上,百度充足的现金流,以及控股分拆的架构形式,是个带资进组的玩家。
此外经验上,无论是2017年与金龙客车合作开发L4级自动驾驶巴士“阿波龙”,还是2019年与一汽红旗合作出的红旗EVRobotaxi,都为百度下场造车,埋下了伏笔。
值得注意的是,多家新造车投资人的名单上,从来不缺百度的名字。
百度 VS. 苹果?两强格局
然而,不还有苹果吗?
全球范围内,互联网造车玩家,百度和苹果,倒能放在一起参照。
实际上,相似点也不少。
首先,双方都入局早、布局长,专利数量也都很多。
苹果入局,最早被追溯至2010年,后来泰坦项目明确建立,也早在2014年,如今有上千人规模的团队,行至第7年。

百度则更早,光自动驾驶就从2013年开启,更别说车联网相关的技术布局。
其次,因为都是科技互联网巨头“跨界”进入汽车工业领域,需要的时间长、周期长,都能在历经时间和探索后,明确真正适合自己的路——或者也是互联网公司跨界造车的路径。
最后,无论苹果还是百度,都是在明确AI大战略之下,去思考车领域具体如何展开。
在造车之前,苹果有AI语音Siri,有AI芯片,还有机器学习算法在iPhone等产品中的应用,而造车是把AI技术集大成的新场景和产品。
百度也类似,有AI语音DuerOS,有AI芯片昆仑,还有机器学习等算法在搜索等产品中的应用,而造车是希望把自动驾驶在内的AI智能化技术,实现面向消费者的端到端交付……

所以这对跨洋双雄,较量起来还是挺有看头的。
具体专利上,也有这么几个相似之处。
首先,都把自动驾驶放在了“车”这件事的首位。
据虎嗅统计,苹果在2017年申请了一项名为“Autonomous navigation system”的专利,也是苹果申请的第一个直接与自动驾驶相关的专利。表面上这个专利只是根据导航系统完成自动驾驶功能,即设定目的地后车辆便可自动行驶至设定地点。
但实际上是让车通过自动驾驶,与周围环境进行场景交互,拥有系统级智能化能力。
而百度,也有类似的专利,且更明确在控制领域。
也是2017年,百度公开了一项“自动驾驶规划控制算法”。
百度认为,当前的自动驾驶车辆用到的自动决策方案,通常适用于简单的交通场景,然而在面对道路结构复杂、瞬息万变的交通场景时,这些控制算法却往往难以应对。
这是因为,在遇见没有学习过的场景和道路时,专家提出的规则,往往无法保证系统做出正确和安全的决策。
为此,百度提出了一种技术,以通过学习周围车辆的方式,来学习到适合自身的驾驶策略和行驶轨迹,以保证策略的正确性和行车的安全性。
其次,百度和苹果,都选择了激光雷达传感路线。
虎嗅举例,苹果申请的“Traffic Direction Detection Recognition”专利中,提到了一项识别交警手势并因此对车辆行驶路径改变的技术。为了实现这些功能,苹果对于视觉识别、激光雷达信息融合,以及处理数据的神经网络系统,也有着诸多的专利。
而百度,号称有当前最先进的激光雷达算法。
在现有技术中,通常依靠局部空间信息进行障碍物检测,百度认为,这种检测的准确性较低。
为此,百度设计了一种预测模型,将激光雷达获取的3D点云投影到2D网格上、获取各网格的特征信息后,就能获取各网格的障碍预测参数,进行网格聚类、得到结果。
另外,硬件方面。
苹果的专利,从刹车脚踏板、门、挡风玻璃等硬件都有专利申请。
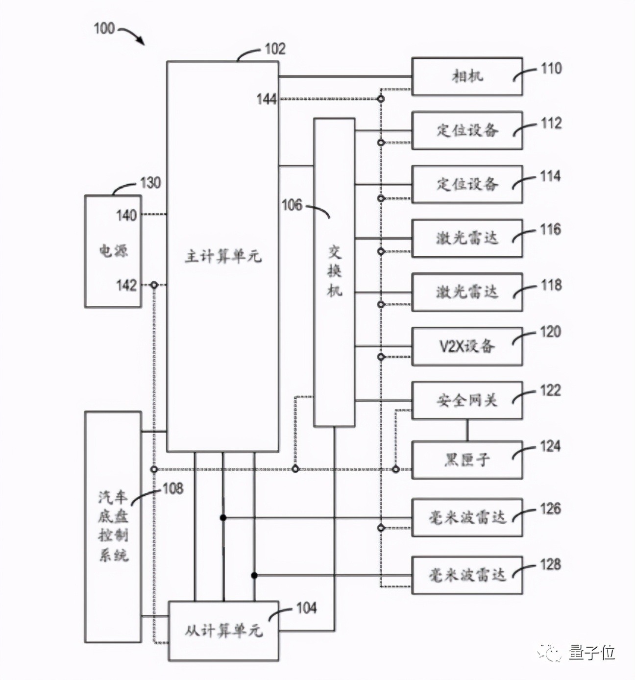
而百度在局部硬件设计、传感器整车布局、整车架构设计上,同样有不少专利。
比如在2019年,百度就公开了一种整车硬件架构设计的技术解决方案:
遗憾的是,目前苹果还没有整车设计方面的专利,这也与苹果在设计等方面的高度保密有关,不过随着造车进展和节奏加快,或许很快就会露出冰山一角。
所以,从专利维度来说,苹果和百度,作为互联网巨头造车的跨洋双雄,确实之前相似的地方不少,日后放在一起,应该也能作对比参照。
如果之前这对没有被放在一起过——毕竟纯从自动驾驶的话,中美跨洋双强是百度Apollo和谷歌Waymo。
那么从今往后,既然同是互联网跨界造车人,类比起来看看,或许能有其他新收获。
比如进一步追问:谁会更快?
谁能更快?
倾向于投百度。
虽然苹果有硬件经验、有供应链整合经验,还有立马能买下一家车厂的现金流。
但身处中国的百度,有更强大的天时地利优势。

因为其智能汽车相关的技术,都已经在商用了。
从百度研发的AI车载产品来看,据目前已经合作的车企统计,百度产品“小度车载”,日均使用时长120分钟,交互40次,每天为1000万+用户提供导航服务。
而百度自主研发的AR导航系统的平均使用时间,占总导航时间的56.6%。
具体到造车进度上,百度的RoboTaxi已经正式进入载人测试阶段,满意率达到97%。
实际上,百度造车,更像是希望通过现身说法,打造样板,让更多车企因为看见而相信。
以及别忘了,上述能力之外,百度还有一个车路协同、智能交通方面的优势。
其研发的ACE智能交通引擎,开始在中国各地展开落地,未来配合其车,就是双剑合璧。
加之国家和对新技术的支持力度,百度凭借自动驾驶和AI,指向RoboTaxi的维度可以与Waymo争朝夕,指向造车的维度,又能跟苹果两强抗衡。
自动驾驶是全球头部三强玩家。
互联网新造车,与苹果跨洋辉映。
从目前市值来看,百度可能还要比苹果更具有想象空间——
如果百度通过造车,打造出智能汽车时代的“iPhone”,那成为汽车新时代里的苹果,也并非全无可能。
至少现在,天时地利都有了。
- 首个GPT-4驱动的人形机器人!无需编程+零样本学习,还可根据口头反馈调整行为2023-12-13
- IDC霍锦洁:AI PC将颠覆性变革PC产业2023-12-08
- AI视觉字谜爆火!梦露转180°秒变爱因斯坦,英伟达高级AI科学家:近期最酷的扩散模型2023-12-03
- 苹果大模型最大动作:开源M芯专用ML框架,能跑70亿大模型2023-12-07




